Talent Microwave has introduced the 260-400 GHz second-harmonic mixer (TLHM-260400-0240-2.8). With its core advantage of an ultra-wide intermediate frequency (IF) bandwidth, this product supports instantaneous signal processing from DC to 40 GHz, making it highly valuable for applications in terahertz communications, radio astronomy, and deep-space exploration.
Core Advantages
- Ultra-Wide IF Bandwidth: Covers DC to 40 GHz, suitable for high-speed communications and broadband signal analysis.
-
Efficient High-Frequency Coverage: Utilizes second-harmonic mixing technology, requiring only a 130-200 GHz local oscillator (LO) to operate across the full 260-400 GHz band, thereby reducing the demand on the LO source.
-
Low Conversion Loss: Features a typical single-sideband conversion loss of just 10 dB, ensuring high system sensitivity.
-
Low Drive Power Requirement: The typical LO drive power is only 8 dBm, facilitating easier system integration.
Mechanical Characteristics
Absolute Maximum Ratings
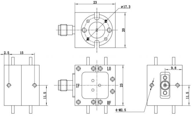
Outline Drawing
Typical Performance Data
SSB Conversion Loss vs RF Frequency
SSB Conversion Loss vs RF Frequency
Typical Applications
- Terahertz ultra-high-speed wireless communication.
- Radio astronomy and deep-space exploration.
- Plasma diagnostics.
- Terahertz imaging systems.
The Talent Microwave TLHM-260400-0240-2.8 second-harmonic mixer, with its ultra-wide IF capability, delivers a powerful and efficient down-conversion solution for high-frequency systems. Contact us today for more information and tailored solutions.


